Zwangsmuster - Kopierte Objekte

In diesem Abschnitt werden Objekte behandelt, die mit den Werkzeugen zum Bearbeiten und Kopieren von Elementen (siehe Objekte kopieren) in Muster kopiert wurden (Linien, lineare Matrizes, radiale Matrizes).
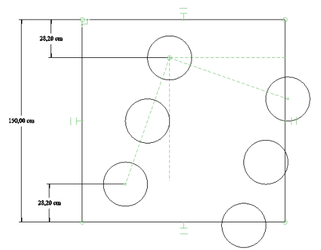
Wenn Sie Objekte in ein Muster kopieren, können Sie Zwangsbedingungen und Bemaßungsvariablen verwenden, um Abstände, Winkel usw. zu steuern. In diesem Beispiel wurde ein Kreis in eine lineare Matrix kopiert.
- Stellen Sie zunächst sicher, dass in der Kontrollleiste Zwangsbedingungen automatisch hinzufügen aktiviert ist.

- Erstellen Sie ein Rechteck, und fügen Sie einen kleinen Kreis hinzu. Dem Rechteck werden automatisch die Zwangsbedingungen Parallel und Deckungsgleich zugewiesen.

- Wählen Sie den Kreis aus, und kopieren Sie ihn mit Matrix einfügen in ein Raster.

- Weisen Sie einige Bemaßungen zu (siehe Abbildung).

- Öffnen Sie die Kalkulatorpalette. Die durch Variablen gekennzeichneten Bemaßungen werden angezeigt. In diesem Beispiel wurden den Variablen Namen zugewiesen (L, E1, E2).

Hinweis: Weitere Informationen zur Arbeit mit Variablen finden Sie unter Kalkulatorpalette.
- Erstellen Sie eine Formel, damit die beiden Kantenbemaßungen gleich sind. In diesem Fall wurde die Variable E1 als Formel für E2 verwendet.
Die Bemaßungen werden aktualisiert. Der Abstand zwischen den kopierten Objekten bleibt konstant. In diesem Fall weist die lineare Matrix jedoch keinen 90-Grad-Winkel auf.

- Um dies zu beheben, aktivieren Sie zunächst die Zwangsbedingung Horizontal, Vertikal und klicken Sie auf die untere Kante des Rechtecks. Aktivieren Sie anschließend die Zwangsbedingung Parallel und klicken Sie zuerst auf die Zwangsbedingungslinie der Matrix und dann auf die obere Linie des Rechtecks. Wiederholen Sie dies, wenn nötig, um eine rechtwinklige Matrix zu erzielen.
Die Matrix ist jetzt wieder rechtwinklig.
